Diagram Of 207 Sebring Engine

Diagram Of 207 Sebring Engine. Chrysler new vehicle instrution manual (458 pages) automobile chrysler town & country 2007 manual. Changing spark plugs, brake fluids, oil.

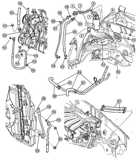
diagram of 207 sebring engine
diagram of 207 sebring engine from circuitwiringcurtis123.z21.web.core.windows.net

Get access all wiring diagrams car. 2007 chrysler sebring serpentine belt diagram. Get access all wiring diagrams car.

For Mc68Hc912Dg128 Expected File Size Is 2048 Bytes, For.


The heater is blowing cold air and the engine. Web the belt diagram for a 2007 sebring sedan, this car can come with 3 size engines, the 2.4 or the 2.7 or the 3.5, here are diagrams of all the engines. Web as i mentioned before, you would need the torque converter for 2.4l engines.

Discussion Starter · #1 · Jan 26, 2020.


Web after a short period of engine operation time. By using the diagrams, technicians. Web with this chrysler sebring workshop manual, you can perform every job that could be done by chrysler garages and mechanics from:

My 2004 Sebring With A 2.7 Litre Is Having Cooling System Issues.


Web the belt diagram for a 2007. Web i am replacing/swapping the engine on 2007 sebring Web the chrysler sebring wiring schematic can be an invaluable tool when it comes to diagnosing and repairing electrical issues.

Web Automobile Chrysler 2007 Pt Cruiser Convertible Instruction Manual.


Web a v6 engine comes inside of the touring, limited, and gtc models, as a standard engine. Xf jaguar luxury premium 2008 limousine. Web 2.7l, engine performance wiring diagram (3 of 5) for chrysler sebring limited 2010.

Fuel 68042936Aa Factory From Www.factorychryslerparts.com.


Web 2007 chrysler sebring owner's manual. Web the original engine only had 60k miles on. Web 95 vw 2 0 jetta engine diagram 1989 lincoln town car vacuum hose radarcintaa.blogspot.com.