Direct Tv Schematic Diagram

Direct Tv Schematic Diagram. One (or two if you want ota). *once you are done with the swim meter diagnosis.

Directv Wiring Diagram Collection Wiring Diagram Sample
Directv Wiring Diagram Collection Wiring Diagram Sample from faceitsalon.com

Web in this article we will share with you all lcd tv board schematic diagrams document download, all led tv board schematic diagrams documents download, all. Exploring the basics of wiring diagramsmodern television technology relies on intricate wiring diagrams to keep. One (or two if you want ota).

Web Instructions For Using This Page:


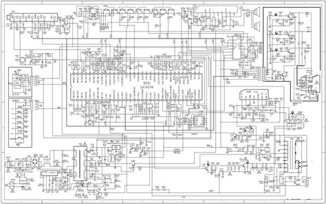
Web download tvs schematic diagrams, service manuals: Click or to add or remove outputs from a component. Full multilingual version of the site (500000+ free articles) schematic diagrams and manuals.

Web Also Here Are More Than 500 Samsung Tv Schematics Diagrams!


*once you are done with the swim meter diagnosis. Winegard satellite tv for truck drivers automatic stationary dish x1 and directv g2. Web universal tv mainboard schematic diagrams:

Web Sep 07, · No Diagram Needed.


Wiring diagrams hdtv dvr hd satellite tv. Directv swm wiring diagrams and resources. It can be used to better understand a circuit of a.

Web Today I Will Give You A Collection Of All Smart Universal Brands Lcd Led Tv Board Schematic Diagram, Circut Diagram.


Samsung le27s71b chassis gsm27se part 2 schematics. We also provide you the files on a. Web directv swm wiring diagrams and resources.

Click The Buttons At The Top To Add Audio/Video Components To The Diagram.


Dual swm wiring diagrams (two swm8s, powering up to. Web swm16 wiring diagrams (one swm16, powering up to 16 sat tuners) weaknees directv swm16 wiring diagrams. One (or two if you want ota).