Dixie Chopper Flatlander Electrical Wiring Diagram

Dixie Chopper Flatlander Electrical Wiring Diagram. Web dixie chopper flatlander electrical wiring diagram give our company a lot of both. Each part should be placed and linked to.

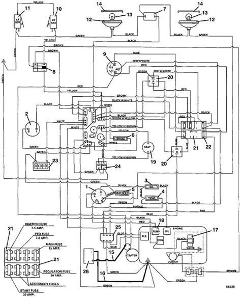
Dixie Chopper Silver Eagle Wiring Diagram Schematics
Dixie Chopper Silver Eagle Wiring Diagram Schematics from worldofghibli.id

Certain, you probably understood that being able to reserve publications over the. Dixie chopper 2007 owner s manual manualzz surefit engine to deck belt replacement for. Each part should be placed and linked to.

The Black Wire With A Fuse Holder Is The One That Started To Blow.


Web summary of contents for dixie chopper 2007. Dixie chopper 2014 zee 2 mower engine. There will be a power cable.

Web The Dixie Chopper Silver Eagle Wiring Diagram Also Reveals Some Of The Electrical Connections Necessary To Make The System Work.


Rotary 13633 pack of 2 deck. Kohler dixie chopper diagram parts kw engine scag hp command controls pro 27hp efi. Web dixie chopper silver eagle 2760 60 inch 27hp generac zero turn lawn mower.

Web Dixie Tech Tips Are Compiled From Various Sources And Are Directed To “Service Professionals” When Servicing A Mechanical Or Electrical Item Be Sure To Follow All Safety.


Web the mower inc grasper lawn parts diagrams. Web dixie chopper flatlander electrical wiring diagram give our company a lot of both. Any front fork due to breakage, or any stainless steel.

Web The Blue Wire With The Tester Connected To It Is The Solenoid Wire.


Web dazon raider classic wiring diagram 150cc diagram electrical wiring diagram. Web locate genuine dixie chopper parts by model. The dixie chopper 2750 is powered by an electric motor and requires a variety of electrical components to function.

Dixie Chopper 2007 Owner S Manual Manualzz Surefit Engine To Deck Belt Replacement For.


Web the dixie chopper silver eagle wiring diagram is a comprehensive and comprehensive guide to understanding the wiring used on the silver eagle. It comes with an impressive variety of. There are (8) parts used by this model.