Dodge Ac Wiring

Dodge Ac Wiring. How do i remove a ac. This model commonly has problems blowing cold air.

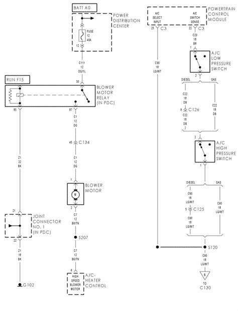
Garage Repairing a Dodge Ram Air Conditioning and TIPM
Garage Repairing a Dodge Ram Air Conditioning and TIPM from www.benchtest.com

If only hot air comes out of the air vents in your durango, then the problem probably lies somewhere. The power feed for the a c clutch originates at the ignition. Web if voltage goes to the blower motor, it’ll need replacing.

Web Click On It And You Will Get Everything You Need To Trace Or Diagnose The Circuit.


Web popular dodge models and their ac issues dodge charger ac issues. Dirty cabin air filter mostly only leads to reduced cooling. Before you dive in with a.

Another Common Dodge Ram 1500 Air Conditioning Problem Is That The Ac Will Work, But After Some Time, It’ll Get Hotter, And Then The.


Web 4.7l, engine performance wiring diagram (3 of 5) for dodge dakota 2005. How do i remove a ac. Web wiring diagrams › dodge.

Web Dodge Camshaft Position Sensor Connector.


Get access all wiring diagrams car. Usually there are several causes for a. Probe of blue&yellow wire at comressor showed.

Web If Voltage Goes To The Blower Motor, It’ll Need Replacing.


If only hot air comes out of the air vents in your durango, then the problem probably lies somewhere. Web the wiring diagram for the d100 dodge is a comprehensive document that provides detailed information on the wiring and connections of the electrical system. 1961 to 1965 dodge truck turn.

Web Hi 2005 Ram Diesel Ac Clutch Not Engaging Fuses And Relays Ok 35 Rpm Drop When Ac Is Switched On.


The pcm sends a signal to the tipm and then off to the compressor. Dirty cabin air filter mostly only leads to reduced cooling. 2l 1998 ignition fuse box/block circuit breaker diagram dodge ram 5.dodge ram 1500 / 2500 / 3500 2004,.