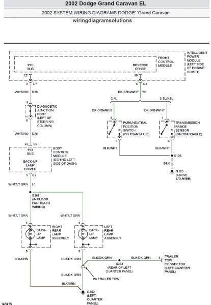
Dodge Caravan Starter Wiring

Dodge Caravan Starter Wiring. This information outlines the wires location, color and polarity to help you identify the proper connection spots in the vehicle. Please be sure to test all of your wires with a digital.

I''m trying to install a remote starter on a dodge caravan and I need a
I''m trying to install a remote starter on a dodge caravan and I need a from www.justanswer.com

Tighten the starter solenoid b+ nut to 90 inch lbs. Please be sure to test all of your wires with a digital. Performing the starter relay test.

You May Need To Locate A Specific Color Wire And Its Exact Location.


This information outlines the wires location, color and polarity to help you identify the proper connection spots in the vehicle. Check if this fits your dodge caravan. Web dodge wiring colors and locations for car alarms, remote starters, car stereos, cruise controls, and mobile navigation systems.

Then There Will Be 2 Nuts Holding On The Starter Wires.


Feel free to use any dodge remote car. Duralast electrical wire connector 1594. Web air conditioning manual a/c wiring diagram (1 of 3) for dodge grand caravan 2000 manual a/c wiring diagram (2 of 3) for dodge grand caravan 2000.

Vehicle Speed Signal (Vss), And Brake Wiring Can Often Be Found In The Alarm/Remote Start Information Available.


This electrical wiring manual has been prepared to help inspection and service works involving electric wiring of the following model be done efficiently. Web 2011 dodge grand caravan (3.6l) wiring diagram. Kebumen, central java, indonesia region maps.

Web Dodge Caravan Starter Motor Testing Starting System Wiring Diagram From Www.youtube.com.


Tighten the starter solenoid b+ nut to 90 inch lbs. Choose from a wide range of region map types and styles. Make sure your battery is dissconected by the black cable.

Web 1997 Dodge Caravan Car Alarm Wire.


Hold the starter motor in place, then secure in place with the 3 attaching bolts. Get access all wiring diagrams car. 2nd if not relay , remove and check pin no 30 with test.