Dodge Intrepid Alternator Wiring

Dodge Intrepid Alternator Wiring. I will be walking you through the steps inv. Only 10 volts coming out of alternator.

Having problem with charging system on 1994 dodge intrepid 3.5L. the
Having problem with charging system on 1994 dodge intrepid 3.5L. the from www.justanswer.com

You'd be popping light bulbs and the sides of the battery would be bulging. You'll want to be sure the. Web get the best deals on starters, alternators, ecus & wiring for dodge intrepid when you shop the largest online selection at ebay.com.

Web 1998 Dodge Intrepid Battery Light And Heck Engine Light On.


It doesn't matter which wire goes where, but the red or blue wire. I would have the battery load tested first to check. Free shipping on many items | browse your favorite.

Web Attach The Alternator And Bracket To The Engine, Then Tighten The Mounting Bolts To 40 Ft.


On a dodge alternator the two small wires go to the voltage regulator. + $ 40.00 refundable core deposit. Web web 1992 dodge spirit wiring to alternator 1988 chrysler new yorker wiring diagram.

New Alternator Belt Tension Gauge Socket Wrench Set Torque Wrench 1 Determine Which Alternator Your Dodge Intrepid Will Need.


Web get the best deals on alternators & generators for dodge intrepid when you shop the largest online selection at ebay.com. Web a grounded wire would cause the alternator to charge wide open. Web see more on our website:

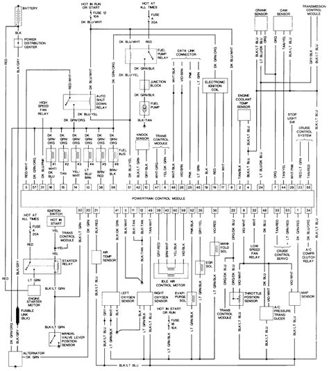
The Pcm Controls The Ground Side Of The Alternator Rotor Field Circuit.


The alternator in the 2.7l model of the 2001 dodge intrepid must be removed from below the engine; Web a faulty alternator can also damage the car's battery. The circuit comprises three main wires:.

Free Shipping On Many Items | Browse.


Web get the best deals on starters, alternators, ecus & wiring for dodge intrepid when you shop the largest online selection at ebay.com. You'd be popping light bulbs and the sides of the battery would be bulging. Free shipping on many items |.