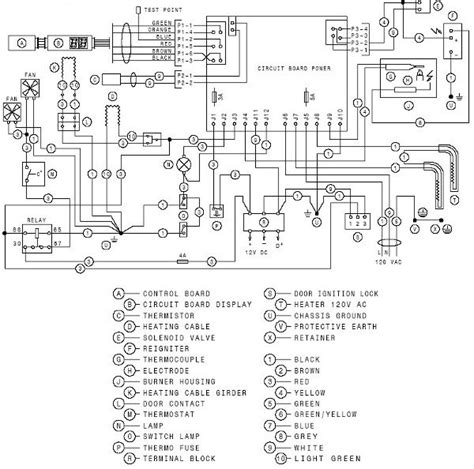
Dometic Refrigerator Wiring Schematic

Dometic Refrigerator Wiring Schematic. Dometic wiring diagram refrigerator rm2652 control regard fridge cooling unit. Web a wiring diagram is a visual representation of the electrical wiring that connects all of the components in your rv air conditioner.

Dometic refrigerator question. iRV2 Forums
Dometic refrigerator question. iRV2 Forums from www.irv2.com

Web schematic diagram of freezer refrigerator system scientific. Our team of seasoned professionals can help you with tech support, installation help, troubleshooting, getting. 356l freezer does not defrost.

356L Freezer Does Not Defrost.


Web to guarantee that you will get the correct spare part, you first need to identify your product. Dometic refrigerator question irv2 forums. There are two methods to find your dometic fridge model:

Web Dometic Service Manual For Any Dometic Model.


Web softstartrv dometic wiring diagrams and instructions. Web schematic diagram of freezer refrigerator system scientific. Web wiring diagram for dometic rv fridge wiring diagram schematic from superdadspeaks1.blogspot.com.

If Looking For A Rm3500 Cooling Unit Or.


It is a thermally insulated box with inner chamber divided into two. Look for the data label that is placed inside, underneath, or on the back of your product. We offer pdf and booklet service and repair manuals for all brands and models.

Our Team Of Seasoned Professionals Can Help You With Tech Support, Installation Help, Troubleshooting, Getting.


Web thesamba com vanagon view topic westy fridge wires where do they go. It is a thermally insulated box with inner chamber divided into two. Norcold and dometic rv refrigerator reset how to.

Web The Dometic Rv Fridge Wiring Diagram Is A Critical Part Of Understanding Your Recreational Vehicle's Cooling System.


Terminals 1 and 3,which is the coil of. If you are looking to upgrade or repair your. Web put a blank sheet of paper next to the wiring diagram and just draw the simple circuit.