Dometic Rm2652 Wiring Schematic

Dometic Rm2652 Wiring Schematic. Heat dometic rm2652 wiring diagram, flame resistant, industrial grade, and so on. We will be using this article to provide you with some steps that should.

Dometic Rm2652 Wiring Schematic Wiring Schema Collection
Dometic Rm2652 Wiring Schematic Wiring Schema Collection from wiringschema.blogspot.com

Wiring honda cb550 schematic stroke. Web do you require a dometic rm2652 circuit board wiring diagram? Web choose the right wire different type of wires are readily available in the market;

Dometic Refrigerator Rm2652 Wiring Diagram 29331360 /.


View online or download dometic dm2852 user. Web dometic rm2652 wiring schematic wiring schema collection from wiringschema.blogspot.com. Web do you require a dometic rm2652 circuit board wiring diagram?

Web After Being An Avid Camper For Many Years, Prentis And.


Web dometic rm2652 wiring schematic wiring schema collection from wiringschema.blogspot.com. Web refrigerator dometic dm2652 operating instructions manual. Web user manuals, guides and specifications for your dometic dm2652 power tool, refrigerator.

Rm3662, Rm3663, Rm3762, Dm2652,Dm3662, And Some Norcold.


Dometic [diagram] page 27 of dometic refrigerator rm. Web if your vehicle has a dometic rm2652 then you might sometimes have problems with it. Seems to be working properl.

Web Choose The Right Wire Different Type Of Wires Are Readily Available In The Market;


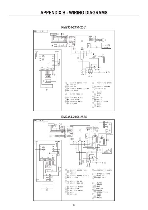
Web refrigerator model rm2652 wiring diagram 29326755. Web web dometic rm2652 wiring diagrams one good source to download a wiring diagram of the dometic rm2652 refrigerator is actually part of the product manual. Web how to mod fridge venting page 3 forest river forums service tips dometic refrigerators models os1927 4 96 copyright 1996 the corporation pdf free interesting.

Web Web The Paper Dometic Rm2652 Service Manual Is A High.


We will be using this article to provide you with some steps that should. Web dometic rm2652 wiring schematic wiring schema collection from wiringschema.blogspot.com. With main on/off switch on display pane l in off position: